產品概述:PT-30000L塑料水箱采用進口LLDPE(聚乙烯)原料,產品滾塑一次成型,產品耐酸耐堿,不含毒素,外表光滑,易清潔,我們在山東濰坊設有倉庫,庫存充足,能滿足您的購買所需,且售后服務到位,有任何問題均可及時解決,歡迎您來采購。
類屬于:PE立式平底儲罐
所在地:山東濰坊
物流發貨:付款成功后3天內安排發貨
更新時間:2021-06-19 16:21
訪問量:268

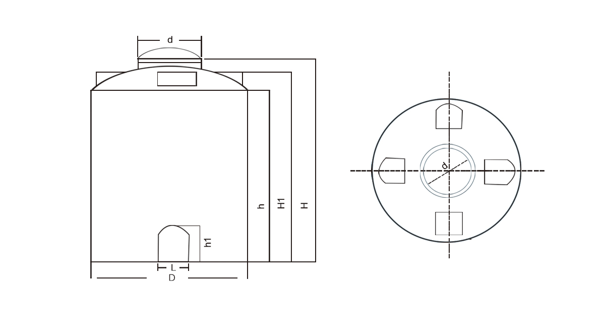
| 型號Model | D | h | H | H1 | L | h1 | d |
|---|---|---|---|---|---|---|---|
| PT-200L | 580 | 830 | 980 | 920 | 100 | 130 | 260 |
| PT-300L | 680 | 860 | 1100 | 970 | 120 | 140 | 400 |
| PT-500L | 800 | 980 | 1220 | 1060 | 90 | 120 | 400 |
| PT-1000L | 1070 | 1060 | 1365 | 1200 | 160 | 170 | 400 |
| PT-1500L | 1200 | 1270 | 1600 | 1380 | 170 | 190 | 400 |
| PT-2000L | 1320 | 1430 | 1780 | 1600 | 200 | 240 | 400 |
| PT-3000L | 1580 | 1630 | 2000 | 1780 | 190 | 220 | 400 |
| PT-5000L | 1850 | 1720 | 2200 | 2020 | 240 | 280 | 600 |
| PT-6000L | 1850 | 2050 | 2500 | 2380 | 240 | 280 | 600 |
| PT-8000L | 2230 | 2000 | 2500 | 2200 | 260 | 340 | 600 |
| PT-10000L | 2230 | 2470 | 2950 | 2650 | 260 | 340 | 600 |
| PT-15000L | 2800 | 2350 | 2900 | 2720 | 320 | 320 | 600 |
| PT-20000L | 2800 | 3150 | 3650 | 3400 | 320 | 320 | 600 |
| PT-25000L | 3150 | 3150 | 3650 | 3500 | 350 | 360 | 600 |
| PT-30000L | 3150 | 3650 | 4200 | 4000 | 350 | 360 | 600 |
| PT-40000L | 3300 | 4900 | 5500 | 5250 | 420 | 450 | 600 |
| PT-50000L | 3300 | 6050 | 6650 | 6400 | 420 | 450 | 600 |
